Lihat 14+ skema wireless mic transmitter and receiver Rangkaian wireless microphone ini pada dasarnya terdiri dari pemancar FM yang dioperasikan dengan tegangan yang sangat kecil yaitu hanya 3Volt saja sehingga sangat cocok untuk. Shure BLX24RSM58 Wireless Microphone System with BLX4R Rack Mount Receiver and BLX2 Handheld Transmitter with SM58 Mic Capsule the Industry Standard for Vocal Performances 47 out of 5 stars 75 4 offers from 39900. Handheld headset or lavalier. Cek jugawireless dan skema wireless mic transmitter and receiver This system is highly dependable as you would not lose the wireless connection.
Wireless mics send their output signals wirelessly via their built-in transmitters. A wireless receiver can only demodulate the signal from one active mic-transmitter at a.

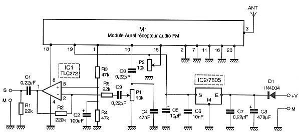
45 out of 5 stars 56. Fm Wireless Microphone Circuit Diagram Eleccircuit Electrical Circuit Diagram Circuit Diagram Circuit
| Contoh Soal: Fm Wireless Microphone Circuit Diagram Eleccircuit Electrical Circuit Diagram Circuit Diagram Circuit The wireless mic receiver can no longer. |
| Format file: JPG |
| Ukuran file: 2.3mb |
| Ukuran kertas soal: Letter |
| Tanggal pembuatan soal: Maret 2021 |
| Jumlah soal Fm Wireless Microphone Circuit Diagram Eleccircuit Electrical Circuit Diagram Circuit Diagram Circuit: 248 Halaman |
| Lihat Fm Wireless Microphone Circuit Diagram Eleccircuit Electrical Circuit Diagram Circuit Diagram Circuit |
The bright ceiling light is the PSM transmitter.

Batteries- for the microphone. Because the PSM transmit antenna is very close to the wireless mic receive antennas the wireless mic receiver is overloaded or swamped by the strong PSM signal. Wireless Transmitter microphone This takes the sound from your voice and transmits the signal wirelessly to the receiver. Wireless microphone systems are comprised of three fundamental components. The transmitter section works with 9V battery. BLX Wireless Systems provide professional-quality sound with simple setup and an intuitive interface.

The handheld has the transmitter built in. Fm Receiver With Tda7021t Electronic Schematic Diagram
| Contoh Soal: Fm Receiver With Tda7021t Electronic Schematic Diagram Connecting Mic To Smartphone Via Charger. |
| Format file: Doc |
| Ukuran file: 2.2mb |
| Ukuran kertas soal: Letter |
| Tanggal pembuatan soal: Februari 2021 |
| Jumlah soal Fm Receiver With Tda7021t Electronic Schematic Diagram: 238 Halaman |
| Lihat Fm Receiver With Tda7021t Electronic Schematic Diagram |

A transmitter and receiver broadcast on different frequencies therefore a transmitter and a receiver operating on different frequencies will not work with one another. Results Page 420 About Ic 4022 Searching Circuits At Next Gr
| Contoh Soal: Results Page 420 About Ic 4022 Searching Circuits At Next Gr The wireless mic transmitter and the receiver can be synchronized between each other with the simple press of a button so setup is effortless. |
| Format file: Doc |
| Ukuran file: 3.4mb |
| Ukuran kertas soal: A3 |
| Tanggal pembuatan soal: Mei 2018 |
| Jumlah soal Results Page 420 About Ic 4022 Searching Circuits At Next Gr: 170 Halaman |
| Lihat Results Page 420 About Ic 4022 Searching Circuits At Next Gr |

The IR audio link circuit is divided two parts. Scematic Diagram Panel Wireless Microphone Transmitter And Receiver Circuit Diagram
| Contoh Soal: Scematic Diagram Panel Wireless Microphone Transmitter And Receiver Circuit Diagram The former is your standard archetypal stage microphone usually a. |
| Format file: JPEG |
| Ukuran file: 2.2mb |
| Ukuran kertas soal: HVS |
| Tanggal pembuatan soal: Mei 2021 |
| Jumlah soal Scematic Diagram Panel Wireless Microphone Transmitter And Receiver Circuit Diagram: 142 Halaman |
| Lihat Scematic Diagram Panel Wireless Microphone Transmitter And Receiver Circuit Diagram |

Westshell 24GHz Rechargeable Wireless XLR Transmitter and Receiver Plug-on Wireless Mic Adapter XLR Microphone Wireless System for Dynamic Microphone Audio Mixer SpeakersPA System Amp 39 out of 5 stars 42. Radiosparks Schematics 8 29 2021
| Contoh Soal: Radiosparks Schematics 8 29 2021 It comes with a bodypack transmitter with the mic connected to it a portable receiver and a plug transmitter. |
| Format file: JPEG |
| Ukuran file: 5mb |
| Ukuran kertas soal: A3 |
| Tanggal pembuatan soal: Desember 2021 |
| Jumlah soal Radiosparks Schematics 8 29 2021: 263 Halaman |
| Lihat Radiosparks Schematics 8 29 2021 |

The receiver will then decode the original mic signal for the connected mic input. Kumpulan Skema Elektronika Pemancar
| Contoh Soal: Kumpulan Skema Elektronika Pemancar Here the transistor Q1 is used to drive the IR LEDs D1 and D2. |
| Format file: JPEG |
| Ukuran file: 3.4mb |
| Ukuran kertas soal: A3 |
| Tanggal pembuatan soal: Februari 2020 |
| Jumlah soal Kumpulan Skema Elektronika Pemancar: 343 Halaman |
| Lihat Kumpulan Skema Elektronika Pemancar |

Typically a wireless system will feature one of three mic types. Pic Microcontrollers Programming In Basic Book With Code Examples Schematics Circuit Fm Wireless Hi Fi Pcb
| Contoh Soal: Pic Microcontrollers Programming In Basic Book With Code Examples Schematics Circuit Fm Wireless Hi Fi Pcb Wireless FM Transmitter Receiver Set w Mini Clip Microphone DealExtreme. |
| Format file: Doc |
| Ukuran file: 1.5mb |
| Ukuran kertas soal: A3 |
| Tanggal pembuatan soal: Mei 2017 |
| Jumlah soal Pic Microcontrollers Programming In Basic Book With Code Examples Schematics Circuit Fm Wireless Hi Fi Pcb: 204 Halaman |
| Lihat Pic Microcontrollers Programming In Basic Book With Code Examples Schematics Circuit Fm Wireless Hi Fi Pcb |

The transmitter section works with 9V battery. Results Page 12 About Fm Reciever Searching Circuits At Next Gr
| Contoh Soal: Results Page 12 About Fm Reciever Searching Circuits At Next Gr Wireless microphone systems are comprised of three fundamental components. |
| Format file: PNG |
| Ukuran file: 5mb |
| Ukuran kertas soal: HVS |
| Tanggal pembuatan soal: Januari 2020 |
| Jumlah soal Results Page 12 About Fm Reciever Searching Circuits At Next Gr: 278 Halaman |
| Lihat Results Page 12 About Fm Reciever Searching Circuits At Next Gr |

Scematic Diagram Panel Wireless Microphone Transmitter And Receiver Circuit Diagram
| Contoh Soal: Scematic Diagram Panel Wireless Microphone Transmitter And Receiver Circuit Diagram |
| Format file: PNG |
| Ukuran file: 810kb |
| Ukuran kertas soal: A4 |
| Tanggal pembuatan soal: Mei 2021 |
| Jumlah soal Scematic Diagram Panel Wireless Microphone Transmitter And Receiver Circuit Diagram: 157 Halaman |
| Lihat Scematic Diagram Panel Wireless Microphone Transmitter And Receiver Circuit Diagram |

Radiosparks Schematics 8 29 2021
| Contoh Soal: Radiosparks Schematics 8 29 2021 |
| Format file: PDF |
| Ukuran file: 2.8mb |
| Ukuran kertas soal: Letter |
| Tanggal pembuatan soal: Februari 2018 |
| Jumlah soal Radiosparks Schematics 8 29 2021: 167 Halaman |
| Lihat Radiosparks Schematics 8 29 2021 |

Scematic Diagram Panel Wireless Microphone Transmitter And Receiver Circuit Diagram
| Contoh Soal: Scematic Diagram Panel Wireless Microphone Transmitter And Receiver Circuit Diagram |
| Format file: Docx |
| Ukuran file: 2.6mb |
| Ukuran kertas soal: A4 |
| Tanggal pembuatan soal: Juli 2018 |
| Jumlah soal Scematic Diagram Panel Wireless Microphone Transmitter And Receiver Circuit Diagram: 241 Halaman |
| Lihat Scematic Diagram Panel Wireless Microphone Transmitter And Receiver Circuit Diagram |

New Top Sale Wireless Fm Transmitter Receiver Lavalier Lapel Clip Mic System Wireless Mini Microphone Effective Distance 20m Clip Mic Wireless Mini Microphonemini Microphone Aliexpress
| Contoh Soal: New Top Sale Wireless Fm Transmitter Receiver Lavalier Lapel Clip Mic System Wireless Mini Microphone Effective Distance 20m Clip Mic Wireless Mini Microphonemini Microphone Aliexpress |
| Format file: PDF |
| Ukuran file: 1.8mb |
| Ukuran kertas soal: A4 |
| Tanggal pembuatan soal: Desember 2021 |
| Jumlah soal New Top Sale Wireless Fm Transmitter Receiver Lavalier Lapel Clip Mic System Wireless Mini Microphone Effective Distance 20m Clip Mic Wireless Mini Microphonemini Microphone Aliexpress: 243 Halaman |
| Lihat New Top Sale Wireless Fm Transmitter Receiver Lavalier Lapel Clip Mic System Wireless Mini Microphone Effective Distance 20m Clip Mic Wireless Mini Microphonemini Microphone Aliexpress |
Itulah Informasi skema wireless mic transmitter and receiver, Kumpulan skema elektronika pemancar results page 420 about ic 4022 searching circuits at next gr radiosparks schematics 8 29 2021 scematic diagram panel wireless microphone transmitter and receiver circuit diagram radiosparks schematics 8 29 2021 scematic diagram panel wireless microphone transmitter and receiver circuit diagram fm wireless microphone circuit diagram eleccircuit electrical circuit diagram circuit diagram circuit fm receiver with tda7021t electronic schematic diagram, semoga jelas.
0 Komentar